DEUBLIN | The Netherlands
product selection by media | air , vacuum, hydraulic | mono channel

Voor doorvoeren van Deublin geschikt voor lucht & vacuum met 1 doorgang (mono) zijn de volgende parameters beschikbaar:
Beschikbare aansluitingen: DN10 - DN50.
Beschikbare rotoren: schroefdraad (RH & LH).
Beschikbare schroefdraad soorten: diversen.
Met uw selectie zijn ongeveer 90 doorvoeren beschikbaar. Maak uw keuze uit de series hieronder.
DEUBLIN DOORVOEREN SERIE 1005
BASISGEGEVENS:
Maximale werkdruk: 10 barMaximale temperatuur: 120 gr. C.
Beschikbare doorlaat: DN 6 t/m DN 40
Toerental max. : tot 3500 TPM
POP-UP AFBEELDING(EN):
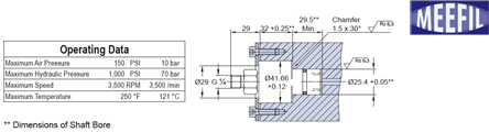
DEUBLIN DOORVOEREN SERIE 'IN-THE-SHAFT'
BASISGEGEVENS:
Maximale werkdruk: 10/70 barMaximale temperatuur: 120 gr. C.
Beschikbare doorlaat: DN 6 t/m DN 10
Toerental max. : tot 3500 TPM
POP-UP AFBEELDING(EN):
DEUBLIN DOORVOEREN SERIE 14000
BASISGEGEVENS:
Maximale werkdruk: 10 barMaximale temperatuur: 120 gr. C.
Beschikbare doorlaat: DN 10 t/m DN 50
Toerental max. : tot 1500 TPM
POP-UP AFBEELDING(EN):

DEUBLIN DOORVOEREN SERIE 17/21
BASISGEGEVENS:
Maximale werkdruk: 10 barMaximale temperatuur: 120 Gr. C.
Beschikbare doorlaat: DN 8 t/m DN 15
Toerental max. : 250 TPM
POP-UP AFBEELDING(EN):
DEUBLIN.CO